Частна
Доставката се поема от: продавача, лично предаване
Състояние: ново
OLX Доставка
Описание
X0479-24 е напълно функционален комуникатор. Може да се използва освен за водолазни цели и за всякакъв вид комуникация изискваща жична връзка. Използва автономно захранване, мощен усилвател клас “AB” и водоустойчив, висококачествен, средночестотен високоговорител осигуряващ кристално чист звук. Може да се използва с един или двама водолази, като те могат да бъдат свързани чрез двупроводна (Half Duplex) или четирипроводна (Full Duplex) линия. Всички тези възможности гарантират надеждна комуникация.
1. Обем на доставката
1бр комуникатор „DaRcom“ с/без поставен оловно-киселинен AGM акумулатор (12V 7Аh)
1бр зарядно устройство „Meanwell”(за акумулатори 12V 14Ahmax) 230V 50Hz
1бр DaRcom-комуникатор за двама водолази Х0479-24 . Ръководство за употреба.
1бр DaRcom-комуникатор за двама водолази Х0479-24 . Ръководство за инсталиране на акумулаторната батерия
2. Характеристики
2.1. Електрически характеристики
Захранващо напрежение: 12 VDC (9 V мин. – 15 V макс.);
Честотна характеристика: 200 – 5000 Hz
Консумация на ток - 0,2 А;
Потискане на нежелани (синфазни) сигнали - 70dB;
Мощност (12VDC, 4Ohm Load) - 22W;
Акумулатор - 12V, 7Ah;
Време за зареждане на напълно разредена батерия¹ - 5 часа;
Време за работа на X0479-24 до изразходване на заряда¹ - 40 часа;
Настройващи потенциометри - устойчиви на износване;
PTT бутони - IP 67, мин.500000 цикъла, контакти - gold over silver.
¹ Времето за зареждане и изразходване на заряда зависи от възрастта и правилната поддръжка на акумулаторната батерия, както и от температурата на околната среда. Оптимална температура е 25°С.
2.2. Механични характеристики
Лицев панел - неръждаема стомана с лазерно гравирани надписи;
Корпус на X0479-24 - IP 65 , удароустойчива пластмаса;
Дължина - 263мм (10,36 in.);
Ширина - 206мм (8,12 in.);
Височина - 156мм (6,15 in.);
Акумулатор за Х0479-24 - оловно киселинен, гелов;
Дължина - 151мм (6 in.);
Ширина. - 65мм (2, 56 in.);
Височина - 94мм (3, 7 in.);
Тегло със зарядното устройство - 5кг;
Диаметър на говорителя - 80 мм.
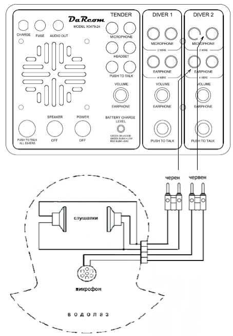
3. Конектори
3.1. Общи
FUSE – Предпазител (2,5А, бърз, 5x20mm).
CHARGE – Конектор ( 5.5 х 2.1 ) за включване на външно зарядно устройство за акумулатор 12V;
AUDIO OUT–RCA извод за включване на записващо устройство.
3.2. Конектори към водолазите
EARPHONE – Гнездо (двойно тип банан-черно). Служи за включване на проводниците на слушалките на водолазите;
MICROPHONE – Гнездо (двойно тип банан-червено). Служи за включване на проводниците на микрофона на водолазите.
MICROPHONE – Гнездо (двойно тип банан-червено). Служи за включване на допълнителен микрофон за оператора;
HEADSET - Гнездо (двойно тип банан-черно). Служи за включване на допълнителни слушалки или микрофон на оператора;
PUSH TO TALK - Гнездо (двойно тип банан-жълто). Дава възможност за отдалечено управление на функцията”push to talk”. Дублира бутона „push to talk all divers” .
4. Селектори и регулатори на звука
PUSH TO TALK ALL DIVERS – бутон за осъществяване на едновременна връзка на оператора с „DIVER 1” и „DIVER 2”. Намира се с долния ляв ъгъл на секция „TENDER”;
PUSH TO TALK – бутон в секция „DIVER 1”. Осъществява връзка на оператора само с този водолаз;
PUSH TO TALK – бутон в секция „DIVER 2”. Осъществява връзка на оператора само с водолаза свързан към конекторите в тази секция;
VOLUME EARPHONE – потенциометър в секция „TENDER”. Регулира силата на звука възпроизвеждан от говорителя на панела и звука от слушалките присъединени към „HEADSET” гнездото в тази секция;
VOLUME EARPHONE – потенциометър в секция „DIVER 1”. Регулира силата на звука възпроизвеждан от слушалките на този водолаз;
VOLUME EARPHONE – потенциометър в секция „DIVER 2”. Регулира силата на звука възпроизвеждан от слушалките на водолаза свързан към конекторите в тази секция.
5. Гаранция.
За комуникатор Х0479-24 и зарядно устройство „Meanwell” получавате 1 годинa гаранция считано от датата на покупка.
Уредът е произведен с необходимото внимание и е тестван добросъвестно. В случай на гаранционно събитие се обърнете към “DaR electronics-bg”, на посочената в ръководството за употреба електронна поща.
1. Обем на доставката
1бр комуникатор „DaRcom“ с/без поставен оловно-киселинен AGM акумулатор (12V 7Аh)
1бр зарядно устройство „Meanwell”(за акумулатори 12V 14Ahmax) 230V 50Hz
1бр DaRcom-комуникатор за двама водолази Х0479-24 . Ръководство за употреба.
1бр DaRcom-комуникатор за двама водолази Х0479-24 . Ръководство за инсталиране на акумулаторната батерия
2. Характеристики
2.1. Електрически характеристики
Захранващо напрежение: 12 VDC (9 V мин. – 15 V макс.);
Честотна характеристика: 200 – 5000 Hz
Консумация на ток - 0,2 А;
Потискане на нежелани (синфазни) сигнали - 70dB;
Мощност (12VDC, 4Ohm Load) - 22W;
Акумулатор - 12V, 7Ah;
Време за зареждане на напълно разредена батерия¹ - 5 часа;
Време за работа на X0479-24 до изразходване на заряда¹ - 40 часа;
Настройващи потенциометри - устойчиви на износване;
PTT бутони - IP 67, мин.500000 цикъла, контакти - gold over silver.
¹ Времето за зареждане и изразходване на заряда зависи от възрастта и правилната поддръжка на акумулаторната батерия, както и от температурата на околната среда. Оптимална температура е 25°С.
2.2. Механични характеристики
Лицев панел - неръждаема стомана с лазерно гравирани надписи;
Корпус на X0479-24 - IP 65 , удароустойчива пластмаса;
Дължина - 263мм (10,36 in.);
Ширина - 206мм (8,12 in.);
Височина - 156мм (6,15 in.);
Акумулатор за Х0479-24 - оловно киселинен, гелов;
Дължина - 151мм (6 in.);
Ширина. - 65мм (2, 56 in.);
Височина - 94мм (3, 7 in.);
Тегло със зарядното устройство - 5кг;
Диаметър на говорителя - 80 мм.
3. Конектори
3.1. Общи
FUSE – Предпазител (2,5А, бърз, 5x20mm).
CHARGE – Конектор ( 5.5 х 2.1 ) за включване на външно зарядно устройство за акумулатор 12V;
AUDIO OUT–RCA извод за включване на записващо устройство.
3.2. Конектори към водолазите
EARPHONE – Гнездо (двойно тип банан-черно). Служи за включване на проводниците на слушалките на водолазите;
MICROPHONE – Гнездо (двойно тип банан-червено). Служи за включване на проводниците на микрофона на водолазите.
MICROPHONE – Гнездо (двойно тип банан-червено). Служи за включване на допълнителен микрофон за оператора;
HEADSET - Гнездо (двойно тип банан-черно). Служи за включване на допълнителни слушалки или микрофон на оператора;
PUSH TO TALK - Гнездо (двойно тип банан-жълто). Дава възможност за отдалечено управление на функцията”push to talk”. Дублира бутона „push to talk all divers” .
4. Селектори и регулатори на звука
PUSH TO TALK ALL DIVERS – бутон за осъществяване на едновременна връзка на оператора с „DIVER 1” и „DIVER 2”. Намира се с долния ляв ъгъл на секция „TENDER”;
PUSH TO TALK – бутон в секция „DIVER 1”. Осъществява връзка на оператора само с този водолаз;
PUSH TO TALK – бутон в секция „DIVER 2”. Осъществява връзка на оператора само с водолаза свързан към конекторите в тази секция;
VOLUME EARPHONE – потенциометър в секция „TENDER”. Регулира силата на звука възпроизвеждан от говорителя на панела и звука от слушалките присъединени към „HEADSET” гнездото в тази секция;
VOLUME EARPHONE – потенциометър в секция „DIVER 1”. Регулира силата на звука възпроизвеждан от слушалките на този водолаз;
VOLUME EARPHONE – потенциометър в секция „DIVER 2”. Регулира силата на звука възпроизвеждан от слушалките на водолаза свързан към конекторите в тази секция.
5. Гаранция.
За комуникатор Х0479-24 и зарядно устройство „Meanwell” получавате 1 годинa гаранция считано от датата на покупка.
Уредът е произведен с необходимото внимание и е тестван добросъвестно. В случай на гаранционно събитие се обърнете към “DaR electronics-bg”, на посочената в ръководството за употреба електронна поща.
ID: 144174079
Контакт с продавача
xxx xxx xxx
Добавена 16 март 2026 г.
Водолазен комуникатор/Комуникатор за един или двама водолази.
2700 лв. / 1380.49 €
Локация