Частна
Доставката се поема от: купувача, лично предаване
Състояние: ново
OLX Доставка
Описание
Цената е за едно ръководство,на руски език,записано в PDF формат на диск или при желание на флашка,която се заплаща отделно.
1.FIAT ALBEA ( от 2005 г.) бенз.двиг.350А1000 ( 1.4л.SOHC ) 385 стр.
2.FIAT BRAVA/BRAVO (1995-2001)с бенз.и диз.двигатели,336 стр.
3.FIAT DOBLO ( от 2005 ) Dizel 1,9D ; 1,9JTD 212 стр.
4.FIAT CROMA (1985-1993) Бензин 1.6/2.0 л.-7 модела,дизел 2.0/2.5 л.
- 4 модела. 274 стр.
5.FIAT PUNTO (1999-2006) Бензин 1.2/1.4/1.8 л. Дизел 1.3/1.9 л.
234 стр.
6.FIAT UNO Бензин 900/1100/1300 л.FIRE1000/1100л. Дизел 1300 D ,
1700 D . 135 стр.
7.PEUGEOT J5 / FIAT DUCATO / CITROEN C25 (1982-2005)
Бензин 1796 /1971 л. Дизел 2499л./дизел + дизел турбо/,1905 D
119 стр.
Тези ръководства може да помогнат на собственика на автомобила да извлече максимума от него. Тази задача се постига по няколко начина. Данните, събрани и представени,позволяват на собственика на автомобила да реши какви работи по поддръжката трябва да се извършват и кога, и дали има смисъл да се опита да го направи сам,или да се свърже с представителството на производителя или автосервизна работилница. Ръководствата включват описания на процедурите за задължителна рутинна поддръжка на автомобила и график за тяхното изпълнение. Освен това се предлага информация за диагностициране на неизправности на компонентите и системите на превозното средство (в случай на тяхната повреда), както и начини за отстраняване на причините за тях.
Описанията са представени по прост и разбираем начин. Ако спазвате стриктно инструкциите в текста и придружаващите илюстрации, не би трябвало да имате затруднения. При всяка работа трябва да се спазват спецификациите.
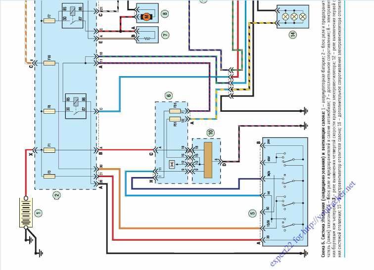
Показани са и редица ел.схеми.
Като демонстрация са показани снимки за FIAT ALBEA.
Ръководствата са предназначени за автомобилисти, занимаващи се със самоподдръжка и ремонт на своя автомобил,което ви позволява да спестите време, усилия и пари, както и за минимизиране на риска от повреда на оборудването.
Ако имате друга марка или модел автомобил и желаете подобно ръководство,моля пишете.Може да ви се помогне.
Изпращам с Еконт/Спиди,на ръка или онлайн на ваш имейл адрес срещу банков превод или пощенски превод в Еконт офис.Може и лично предаване.За подробности пишете или се обадете на телефона от обявата.
1.FIAT ALBEA ( от 2005 г.) бенз.двиг.350А1000 ( 1.4л.SOHC ) 385 стр.
2.FIAT BRAVA/BRAVO (1995-2001)с бенз.и диз.двигатели,336 стр.
3.FIAT DOBLO ( от 2005 ) Dizel 1,9D ; 1,9JTD 212 стр.
4.FIAT CROMA (1985-1993) Бензин 1.6/2.0 л.-7 модела,дизел 2.0/2.5 л.
- 4 модела. 274 стр.
5.FIAT PUNTO (1999-2006) Бензин 1.2/1.4/1.8 л. Дизел 1.3/1.9 л.
234 стр.
6.FIAT UNO Бензин 900/1100/1300 л.FIRE1000/1100л. Дизел 1300 D ,
1700 D . 135 стр.
7.PEUGEOT J5 / FIAT DUCATO / CITROEN C25 (1982-2005)
Бензин 1796 /1971 л. Дизел 2499л./дизел + дизел турбо/,1905 D
119 стр.
Тези ръководства може да помогнат на собственика на автомобила да извлече максимума от него. Тази задача се постига по няколко начина. Данните, събрани и представени,позволяват на собственика на автомобила да реши какви работи по поддръжката трябва да се извършват и кога, и дали има смисъл да се опита да го направи сам,или да се свърже с представителството на производителя или автосервизна работилница. Ръководствата включват описания на процедурите за задължителна рутинна поддръжка на автомобила и график за тяхното изпълнение. Освен това се предлага информация за диагностициране на неизправности на компонентите и системите на превозното средство (в случай на тяхната повреда), както и начини за отстраняване на причините за тях.
Описанията са представени по прост и разбираем начин. Ако спазвате стриктно инструкциите в текста и придружаващите илюстрации, не би трябвало да имате затруднения. При всяка работа трябва да се спазват спецификациите.
Показани са и редица ел.схеми.
Като демонстрация са показани снимки за FIAT ALBEA.
Ръководствата са предназначени за автомобилисти, занимаващи се със самоподдръжка и ремонт на своя автомобил,което ви позволява да спестите време, усилия и пари, както и за минимизиране на риска от повреда на оборудването.
Ако имате друга марка или модел автомобил и желаете подобно ръководство,моля пишете.Може да ви се помогне.
Изпращам с Еконт/Спиди,на ръка или онлайн на ваш имейл адрес срещу банков превод или пощенски превод в Еконт офис.Може и лично предаване.За подробности пишете или се обадете на телефона от обявата.
ID: 140926384
Контакт с продавача
xxx xxx xxx
Добавена 14 септември 2025 г.
FIAT 7 модела- Ръководства за експлоатация и ремонт (на CD)
8 лв.
Потребител
Локация