Бизнес
Доставката се поема от: лично предаване
Състояние: ново
Описание
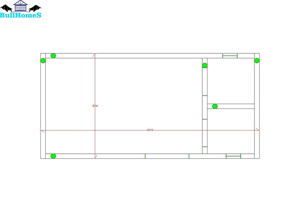
Конструкция за Бунгало - 18м² -6м х 3м - етап Конструкция - готови за сглобяване профили.
СОБСТВЕНО КРЕДИТИРАНЕ за халета и сглобяеми къщи за фирми и физически лица за срок до 15 години, БЕЗ НУЖДА ОТ ДОКАЗВАНЕ НА ДОХОДИ !!!
Според новите прмени в ЗУТ по чл.56, дават възможност конструкцията да се води и преместваема, с което ще спестите над 10-15 000 лева, както и много време и нерви. Нашият екип проектанти изработва и проекти за преместваеми конструкция.
Опция : сглобяване на профилите в вид на елементи готови за монтаж - 456 евро
Опция : Монтаж на елементите в вид на конструкцията по проекта - 456 евро
349 евро /м² - Цена за изпълнение на Етап Пакет - Груб Строеж.
449 евро/м² -Цена за изпълнение на Етап -Пакет - До ключ.
Цената е без дд
Начин на плащане 50% аванс, 40% при експедиране, 10% след монтаж.
Срок за изработка 20 дни
Срок за монтаж до 10 дни.
Кредитиране чрез лизинг или ипотечен кредит, при изпълнение до ключ.
В цената не е включена услуга с автокран, или всякакъв друг вид подемна техника, ако има нужда от такава за монтажа. Цените са без калкулирана производствена фира. При монтаж, се заплащат допълнително командировъчни и транспортни разходи за монтажната бригада.
Бартер - сглобяеми къщи, преместваеми къщи, хале, бунгала, магазини, търговска сграда, жилищна сграда, склад, или всякакъв вид конструкция или постройка, срещу ваш лек автомобил, строителна техника, товарни и лекотоварни автомобили, част от вашия имот, или всякакъв вид подемна техника.
Пример :
Вие притежавате лек автомобил, строителна техника, товарен или лекотоварен автомобил, или подемна техника на стойност 20 хил лева.
Наш специалист от офисите ни в Варна, София, или фабриката ни в с. Главиница, ще направи оценка на вашия автомобил, и вие заплащате със същия за вашата нова къща, бунгало, хале, магазин, склад, или всякакъв конструкция от която имате нужда.
Търсим партньори в цялата страна, на добра комисионна, които ще получат от нас пълно съдействие и конкурентни цени!
Фабрика и офис
4409, с. Главиница
Индустриална зона / Главиница
+35**********81
Офис гр. Варна, 9002
бул. Цар Освободител 76Г, ет.9
( Сградата на Проектантска, или Здравна Каса )
+35************59
Офис гр. София, 1700
Ж.К. Студентски Град
ул. Проф. Атанас Иширков 13, ет. 3
+35************43
СОБСТВЕНО КРЕДИТИРАНЕ за халета и сглобяеми къщи за фирми и физически лица за срок до 15 години, БЕЗ НУЖДА ОТ ДОКАЗВАНЕ НА ДОХОДИ !!!
Според новите прмени в ЗУТ по чл.56, дават възможност конструкцията да се води и преместваема, с което ще спестите над 10-15 000 лева, както и много време и нерви. Нашият екип проектанти изработва и проекти за преместваеми конструкция.
Опция : сглобяване на профилите в вид на елементи готови за монтаж - 456 евро
Опция : Монтаж на елементите в вид на конструкцията по проекта - 456 евро
349 евро /м² - Цена за изпълнение на Етап Пакет - Груб Строеж.
449 евро/м² -Цена за изпълнение на Етап -Пакет - До ключ.
Цената е без дд
Начин на плащане 50% аванс, 40% при експедиране, 10% след монтаж.
Срок за изработка 20 дни
Срок за монтаж до 10 дни.
Кредитиране чрез лизинг или ипотечен кредит, при изпълнение до ключ.
В цената не е включена услуга с автокран, или всякакъв друг вид подемна техника, ако има нужда от такава за монтажа. Цените са без калкулирана производствена фира. При монтаж, се заплащат допълнително командировъчни и транспортни разходи за монтажната бригада.
Бартер - сглобяеми къщи, преместваеми къщи, хале, бунгала, магазини, търговска сграда, жилищна сграда, склад, или всякакъв вид конструкция или постройка, срещу ваш лек автомобил, строителна техника, товарни и лекотоварни автомобили, част от вашия имот, или всякакъв вид подемна техника.
Пример :
Вие притежавате лек автомобил, строителна техника, товарен или лекотоварен автомобил, или подемна техника на стойност 20 хил лева.
Наш специалист от офисите ни в Варна, София, или фабриката ни в с. Главиница, ще направи оценка на вашия автомобил, и вие заплащате със същия за вашата нова къща, бунгало, хале, магазин, склад, или всякакъв конструкция от която имате нужда.
Търсим партньори в цялата страна, на добра комисионна, които ще получат от нас пълно съдействие и конкурентни цени!
Фабрика и офис
4409, с. Главиница
Индустриална зона / Главиница
+35**********81
Офис гр. Варна, 9002
бул. Цар Освободител 76Г, ет.9
( Сградата на Проектантска, или Здравна Каса )
+35************59
Офис гр. София, 1700
Ж.К. Студентски Град
ул. Проф. Атанас Иширков 13, ет. 3
+35************43
ID: 131778247
Контакт с продавача
xxx xxx xxx

