Частна
Доставката се поема от: купувача
Състояние: ново
Описание
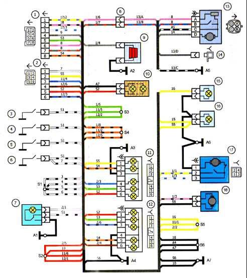
Всички схеми на ел.съединенията на автомобилите Лада Нива 21214/2131(инжекциони,къса и дълга база)
Материалът е записан на CD диск(език руски)
Ако желаете албума(14 листа от които 5 с цвят)принтиран на
хартия е необходимо доплащане 5 лв.
1.Схема на електрическите връзки на кабелния сноп на арматурното табло.
2.Схема на електрическите връзки на кабелния сноп на запалителната система.
3.Схема на електрическите връзки на предния сноп на окабеляването
4.Схема на електрическите връзки на задния монтажен сноп
5.Електрическа схема на арматурното табло
6.Предназначение на контактите на кутиите за приборите на арм.табло.
Всички схеми са с необходимите списъци на елементите в тях.
Изпращам с Еконт/Спиди.Може и лично предаване.
Материалът е записан на CD диск(език руски)
Ако желаете албума(14 листа от които 5 с цвят)принтиран на
хартия е необходимо доплащане 5 лв.
1.Схема на електрическите връзки на кабелния сноп на арматурното табло.
2.Схема на електрическите връзки на кабелния сноп на запалителната система.
3.Схема на електрическите връзки на предния сноп на окабеляването
4.Схема на електрическите връзки на задния монтажен сноп
5.Електрическа схема на арматурното табло
6.Предназначение на контактите на кутиите за приборите на арм.табло.
Всички схеми са с необходимите списъци на елементите в тях.
Изпращам с Еконт/Спиди.Може и лично предаване.
ID: 129020924
Контакт с продавача
xxx xxx xxx
Добавена 19 януари 2026 г.
Албум на ел.схеми на Лада Нива 21214/2131 на руски език(на CD )
5 лв. / 2.56 €
Потребител
Локация